Zum Hauptinhalt springen Zur Suche springen Zur Hauptnavigation springen
Menü
Beschreibung

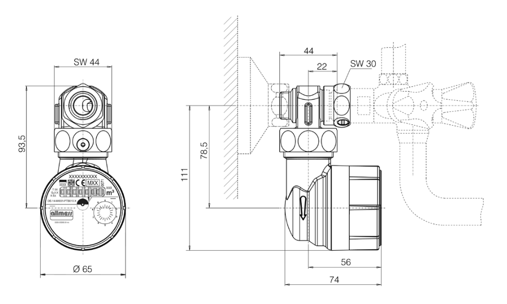
Allmess Badewannenzähler Spezialzähler kalt/warm BWZ 3-V-3/4'' +m (Eichjahr 2026)

Allmess Badewannen-Wasserzähler BWZ 3-V-3/4" +m (ohne Wannenarmatur)

Eichjahr 2026, Eichung gültig bis 2032 (Zählertausch 2032)

Der Badewannenwasserzähler BWZ 3-V-3/4 “ +m ist geeignet für die Montage zwischen dem S-Anschluss und der Mischarmatur. Vorbereitet für Kommunikationsmodule. Montage in allen Einbaulagen, d.h. der Zähler kann um 90° seitlich geschwenkt werden. Spezialarmaturen mit integrierten plombierbaren Überwurfmuttern gewährleisten eine einfache und somit zeit- und kostensparende Montage.

Die Temperaturkennzeichnung erfolgt bauseitig durch blauen (kalt) bzw. roten (warm) Klebepunkt.

Vorbereitet zur Aufnahme von Kommunikationsmodulen (optional erhältlich):

  • Funkmodul EquaScan wMIURF
  • M-BUS-Modul BM + m
  • Impuls-Modul PM + m

Ausführung:

  • Baureihe: System V +m
  • Messprinzip: Einstrahl-Flügelrad
  • Zählertyp: Volltrockenläufer
  • Zählwerk: drehbar, modular
  • Übertragung: Magnetkupplung
  • Einbau: horizontal/vertikal

Technische Daten:

  • Typ BWZ 3-V-3/4'' +m
  • Baureihe: System V +m
  • Zulässige Dauerbelastung Q3: 2,5 m3/h (entspricht den alten EWG-Richtlinien Qn 1,5 m3/h)
  • Messbereich Q1/Q3: R40
  • Universeller Temperaturbereich: 0 bis 90 Grad
  • Vorbereitet für Kommunikationsmodule: (Funk, EquaScan, wM-Bus, M-BUS, FA)

Lieferumfang: 

  • 1 Stück Badewannenwasserzähler mit modularem Zählwerk +m
  • 2 Stück Flachdichtung
  • Klebeplombe 7 mm
  • Gewindestift M 3
  • Innensechskantschlüssel SW 1,5
  • Montageanleitung
  • Marke: Allmess
  • Artikelnummer: 1102932206

Das Konformitätsentgelt (gesetzliche Eichgebühr) ist im Verkaufspreis enthalten.

Dieses Produkt entspricht den allgemeinen Anforderungen der Messgeräte-Richtlinie. Die vollständige Konformitätserklärung finden Sie auf der Homepage des Herstellers.

Bitte beachten Sie! 

Im Lieferumfang ist 1 Stück Badewannenwasserzähler enthalten und nicht 2 Stück, wie abgebildet.

Die Badewannenbatterie ist nicht im Lieferumfang enthalten. Abbildung daher abweichend.

Eigenschaften
Serie: BWZ 3 V
Produktart: Badewannenzähler
Anwendungsbereich: Badewanne
Abmessung (Zoll): 3/4"
Eigenschaft, Bauart: Kaltwasser, Warmwasser
Durchflussleistung: 2,5 m3/h
Sicherheitshinweise

Sicherheitshinweise

Bitte beachten Sie die folgenden Hinweise zur sicheren Nutzung der angebotenen Produkte.
Sie dienen der Vermeidung von Gefahren, Verletzungen sowie Sach- und Folgeschäden.

Die Nutzung darf ausschließlich bestimmungsgemäß und unter Beachtung aller mitgelieferten Produktinformationen erfolgen. Montage, Installation und Wartung dürfen – sofern erforderlich – nur durch qualifiziertes Fachpersonal durchgeführt werden.

Bewahren Sie alle sicherheitsrelevanten Informationen dauerhaft auf und geben Sie diese bei Weitergabe des Produkts an Dritte mit.

Entwässerungs- und Abwassersysteme

Entwässerungssysteme müssen fachgerecht installiert werden, um einen sicheren Abfluss von Abwasser zu gewährleisten.

Alle Verbindungen sind dicht auszuführen. Undichtigkeiten können zu erheblichen Gebäudeschäden führen.

Es ist auf mögliche Rückstauereignisse zu achten. Gegebenenfalls sind geeignete Rückstausicherungen zu installieren.

Zur Beseitigung von Verstopfungen dürfen keine ungeeigneten oder aggressiven chemischen Mittel verwendet werden, da diese Materialien angreifen können.

Regelmäßige Wartung und Kontrolle sind erforderlich, um Funktionsstörungen und Schäden zu vermeiden.

Elektrische Komponenten und Systeme

Arbeiten an elektrischen Anlagen dürfen ausschließlich durch qualifizierte Elektrofachkräfte durchgeführt werden.

Vor Beginn von Arbeiten ist die Stromversorgung vollständig zu unterbrechen und gegen Wiedereinschalten zu sichern.

Elektrische Komponenten dürfen nicht mit Wasser oder Feuchtigkeit in Kontakt kommen, sofern sie nicht ausdrücklich dafür ausgelegt sind.

Beschädigte Kabel, Steckverbindungen oder Geräte dürfen nicht verwendet werden, da die Gefahr von Stromschlag oder Brand besteht.

Schwere und sperrige Produkte

Beim Transport und bei der Montage schwerer oder sperriger Produkte besteht eine erhöhte Verletzungsgefahr.

Der Transport sollte nach Möglichkeit durch mehrere Personen oder mit geeigneten Hilfsmitteln erfolgen.

Bei der Montage ist auf eine sichere Befestigung sowie auf die Tragfähigkeit von Wänden und Untergründen zu achten.

Unsachgemäße Handhabung kann zu Quetschungen, Stürzen oder Materialschäden führen.

Zusätzliche Hinweise

Die produktspezifischen Montageanleitungen, technischen Angaben und Sicherheitshinweise der jeweiligen Hersteller sind stets zu beachten und haben Vorrang.

Sicherheitshinweise

Sicherheitshinweise

Bitte beachten Sie die folgenden Hinweise zur sicheren Nutzung der angebotenen Produkte.
Sie dienen der Vermeidung von Gefahren, Verletzungen sowie Sach- und Folgeschäden.

Die Nutzung darf ausschließlich bestimmungsgemäß und unter Beachtung aller mitgelieferten Produktinformationen erfolgen. Montage, Installation und Wartung dürfen – sofern erforderlich – nur durch qualifiziertes Fachpersonal durchgeführt werden.

Bewahren Sie alle sicherheitsrelevanten Informationen dauerhaft auf und geben Sie diese bei Weitergabe des Produkts an Dritte mit.

Entwässerungs- und Abwassersysteme

Entwässerungssysteme müssen fachgerecht installiert werden, um einen sicheren Abfluss von Abwasser zu gewährleisten.

Alle Verbindungen sind dicht auszuführen. Undichtigkeiten können zu erheblichen Gebäudeschäden führen.

Es ist auf mögliche Rückstauereignisse zu achten. Gegebenenfalls sind geeignete Rückstausicherungen zu installieren.

Zur Beseitigung von Verstopfungen dürfen keine ungeeigneten oder aggressiven chemischen Mittel verwendet werden, da diese Materialien angreifen können.

Regelmäßige Wartung und Kontrolle sind erforderlich, um Funktionsstörungen und Schäden zu vermeiden.

Elektrische Komponenten und Systeme

Arbeiten an elektrischen Anlagen dürfen ausschließlich durch qualifizierte Elektrofachkräfte durchgeführt werden.

Vor Beginn von Arbeiten ist die Stromversorgung vollständig zu unterbrechen und gegen Wiedereinschalten zu sichern.

Elektrische Komponenten dürfen nicht mit Wasser oder Feuchtigkeit in Kontakt kommen, sofern sie nicht ausdrücklich dafür ausgelegt sind.

Beschädigte Kabel, Steckverbindungen oder Geräte dürfen nicht verwendet werden, da die Gefahr von Stromschlag oder Brand besteht.

Schwere und sperrige Produkte

Beim Transport und bei der Montage schwerer oder sperriger Produkte besteht eine erhöhte Verletzungsgefahr.

Der Transport sollte nach Möglichkeit durch mehrere Personen oder mit geeigneten Hilfsmitteln erfolgen.

Bei der Montage ist auf eine sichere Befestigung sowie auf die Tragfähigkeit von Wänden und Untergründen zu achten.

Unsachgemäße Handhabung kann zu Quetschungen, Stürzen oder Materialschäden führen.

Zusätzliche Hinweise

Die produktspezifischen Montageanleitungen, technischen Angaben und Sicherheitshinweise der jeweiligen Hersteller sind stets zu beachten und haben Vorrang.

Produktsicherheit

Hersteller
Allmess GmbH

Adresse
Am Vossberg 11
23758 Oldenburg
Deutschland

E-Mail
info@allmess.de

Produktgalerie überspringen

Zubehörartikel

Allmess Kommunikationsmodul PM +m 100 L Puls Modul +m 100 Liter +m, 3041000006 - Bild 1
Art.-Nr. 3041000006
Allmess Kommunikationsmodul PM +m 100 L Puls Modul +m 100 Liter +m, 3041000006

Bestellware
Lieferzeit: 10-15 Werktage

Regulärer Preis: 110,90 €
Allmess Kommunikationsmodul PM +m 10 L Puls Modul +m 10 Liter, 3041001006 - Bild 1
Art.-Nr. 3041001006
Allmess Kommunikationsmodul PM +m 10 L Puls Modul +m 10 Liter, 3041001006

Bestellware
Lieferzeit: 10-15 Werktage

Regulärer Preis: 110,90 €
Allmess Kommunikationsmodul BM +m M-BUS-Modul +m, unparametriert, 3040000006 - Bild 1
Art.-Nr. 3040000006
Allmess Kommunikationsmodul BM +m M-BUS-Modul +m, unparametriert, 3040000006

Bestellware
Lieferzeit: 10-15 Werktage

Regulärer Preis: 110,90 €
Allmess Kommunikationsmodul PM +m 1 L Puls Modul +m 1 Liter, 3041000106 - Bild 1
Art.-Nr. 3041000106
Allmess Kommunikationsmodul PM +m 1 L Puls Modul +m 1 Liter, 3041000106

Auf Lager
Lieferzeit: 3-5 Werktage

Regulärer Preis: 102,90 €
Allmess Wasserzählerfunkmodul EquaScan wMIU RF V2 DEC MuIPs Encr 50l, 6070005106 - Bild 1
Art.-Nr. 6070005106
Allmess Wasserzählerfunkmodul EquaScan wMIU RF V2 DEC MuIPs Encr 50l

Bestellware
Lieferzeit: 10-15 Werktage

Regulärer Preis: 82,90 €