Zum Hauptinhalt springen Zur Suche springen Zur Hauptnavigation springen
Menü

Beschreibung

Wilo Nassläufer-Premium-Smart-Pumpe Stratos MAXO 50/0,5-8 PN6/10 (DN 50) 2186203

Stratos MAXO 50/0,5-8 PN 6/10

Premium Smart-Pumpe Wilo-Stratos MAXO

Hocheffizienz-Inline Nassläufer-Pumpe mit EC-Motor und elektronischer Leistungsanpassung. Einsetzbar für Heizungswasser, Kaltwasser und Wasser/Glykolgemische. Energieeffizienzindex (EEI) je nach Pumpentyp zwischen ≤ 0,17 und ≤ 0,19.

Regelarten:

  • Permanente, automatische Leistungs-Anpassung an den Anlagenbedarf ohne Sollwertvorgabe Wilo-Dynamic Adapt plus (Werkseinstellung). Bis zu 20 % Energieeinsparung gegenüber der Regelungsart dp-v.
  • Konstante Temperatur (T-const.)
  • Konstante Differenztemperatur (dT-const.)
  • Bedarfsgerechte Volumenstromoptimierung der Zubringerpumpe durch Vernetzung und Kommunikation mit mehreren Pumpen (Multi-Flow Adaptation).
  • Konstanter Volumenstrom (Q-const.)
  • Differenzdruckregelung dp-c an einem entfernten Punkt im Rohrnetz (Schlechtpunktregelung)
  • Konstanter Differenzdruck (dp-c)
  • Variabler Differenzdruck (dp-v) mit der Option der nominellen Betriebspunkteingabe
  • Konstante Drehzahl (n-const.)
  • Benutzerdefinierte PID-Regelung

Funktionen:

  • Wärmemengenerfassung
  • Kältemengenerfassung
  • Automatische Abschaltung der Pumpe bei Null-Durchfluss-Erkennung (No-Flow Stop)
  • Umschaltung zwischen Heiz- und Kühlbetrieb (automatisch, extern oder manuell)
  • Einstellbare Volumenstrombegrenzung durch QLimit-Funktion (Qmin. und Qmax.)
  • Betriebsarten Doppelpumpen: Wirkungsgradoptimierter Additionsbetrieb für dp-c und dp-v, Haupt-/Reservebetrieb
  • Speichern und Wiederherstellen der konfigurierten Pumpeneinstellungen (3 Wiederherstellungspunkte)
  • Störmeldungs-/Warnmeldungsanzeige in Klartext inklusive Abhilfeempfehlung
  • Entlüftungsfunktion zur automatischen Entlüftung des Rotorraums
  • Automatische Nachtabsenkung
  • Automatische Deblockier-Funktion und integrierter Motorvollschutz
  • Trockenlauferkennung

Anzeige:

  • Regelungsart
  • Sollwert
  • Volumenstrom
  • Temperatur
  • Leistungsaufnahme
  • Elektrischer Verbrauch
  • Aktive Einflüsse (z.B. STOP, No-Flow Stop)

Ausführung:

  • 2 konfigurierbare analoge Eingänge : 0-10V, 2-10V, 0-20mA, 4-20mA und handelsüblicher PT1000; Spannungsversorgung mit +24 V DC
  • 2 konfigurierbare digitale Eingänge (Ext. OFF, Ext. Min, Ext. Max, Heizen/Kühlen, Manuelle Übersteuerung (Gebäudeautomation abgekoppelt), Bediensperre (Tastensperre und Fernbedienungs-Konfigurationsschutz))
  • 2 konfigurierbare Melderelais für Betriebs- und Störmeldungen
  • Steckplatz für Wilo-CIF-Module mit Schnittstellen für Gebäudeautomation GA (Optionales Zubehör: CIF-Module Modbus RTU, Modbus TCP, BACnet MS/TP, BACnet IP, LON, PLR, CANopen)
  • Wilo Net als Wilo-Systembus zur Kommunikation von Wilo-Produkten untereinander, z.B. Multi-Flow Adaptation; Doppelpumpenbetrieb und Wilo-Smart Gateway
  • Temperaturfühler integriert
  • Automatischer Notbetrieb bei besonderen Zuständen (Pumpendrehzahl definierbar) z.B. bei Ausfall der Buskommunikation oder von Sensorwerten
  • Graphisches Farb-Display (4,3 Zoll) mit Bedienung über Ein-Knopf-Handbedienebene
  • Auslesen und Einstellen von Betriebsdaten sowie z.B. Erstellen eines Inbetriebnahmeprotokolls über Bluetooth-Schnittstelle (ohne weiteres Zubehör) mittels Wilo Assistant App
  • Doppelpumpenmanagement integriert (Doppelpumpen sind fertig verdrahtet), bei Verwendung von 2 Einzelpumpen als Doppelpumpeneinheit, Verbindung über WILO Net
  • Kabelbrucherkennung bei analogem Signal (in Verbindung mit 2-10V oder 4-20mA)
  • Außenaufstellung mit Wetterschutz gemäß Einbau- und Betriebsanleitung möglich
  • Datum und Uhrzeit voreingestellt
  • Wärmedämmschale für Heizungsanwendungen

Betriebsdaten:

  • Min. Medientemperatur Tmin: -10°C
  • Max. Medientemperatur Tmax: 110°C
  • Min. Umgebungstemperatur Tmin: -10°C
  • Max. Umgebungstemperatur Tmax: 40°C
  • Maximaler Betriebsdruck PN: 10 bar
  • Mindestzulaufhöhe bei 50°C: 5 m
  • Mindestzulaufhöhe bei 95°C: 12 m
  • Mindestzulaufhöhe bei 110°C: 18 m

Motordaten:

  • Energieeffizienzindex (EEI): ≤0.17
  • Störaussendung: EN 61800-3;2004+A1;2012 / Wohnbereich (C1)
  • Störfestigkeit: EN 61800-3;2004+A1;2012 / Industriebereich (C2)
  • Netzanschluss: 1~230 V, 50/60 Hz
  • Leistungsaufnahme P1 max: 390 W
  • Drehzahl min. nmin: 650 1/min
  • Drehzahl max. nmax: 3800 1/min
  • Schutzart Motor: IPX4D
  • Kabelverschraubung: 5 x M16x1.5

Werkstoffe:

  • Pumpengehäuse: Grauguss
  • Laufrad: PPS-GF40
  • Welle: 1.4028, DLC-beschichtet
  • Lager: Kohle, antimonimprägniert

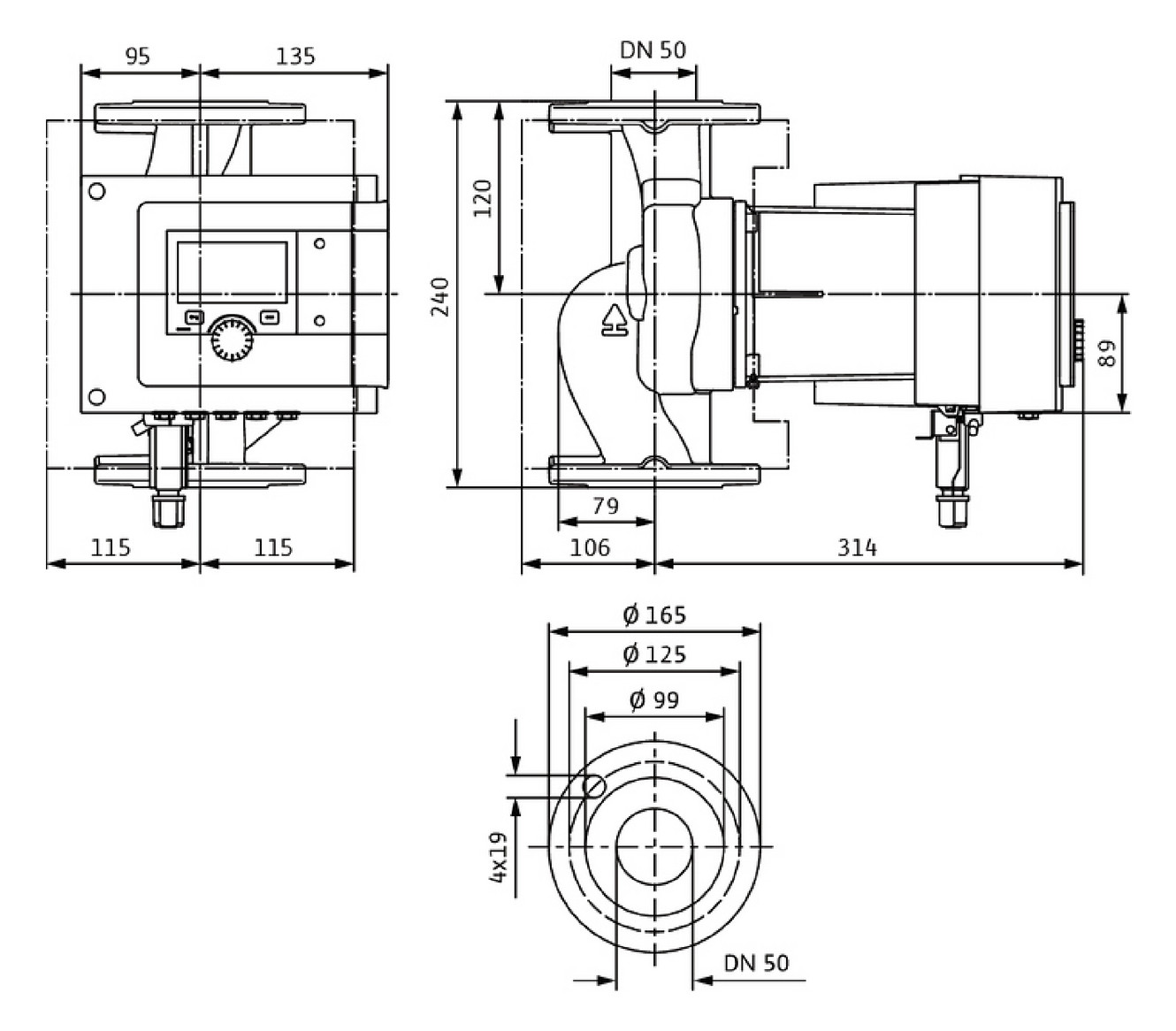
Einbaumaße:

  • Saugseitiger Rohranschluss DNs: DN 50
  • Druckseitiger Rohranschluss DNd: DN 50
  • Baulänge l0: 240 mm

Bestellinformationen:

  • Hersteller: WILO SE
  • Produktbezeichnung: Stratos MAXO 50/0,5-8 PN 6/10
  • Artikelnummer: 2186203

Lieferumfang:

  • Pumpe
  • Optimierter Wilo-Connector für alle Baugrößen gleich
  • 2x Kabelverschraubung M16 x 1,5
  • Unterlegscheiben für Flanschschrauben M12 und M16 (bei Anschlussnennweiten DN32 bis DN65)
  • 2x Dichtungen bei Gewindeanschluss
  • Wärmedämmschale
  • Einbau- und Betriebsanleitung kompakt

Optionales Zubehör:

  • Kälteisolierung ClimaForm zur Vermeidung von Kondensatbildung
  • CIF-Modul: Modbus TCP, Modbus RTU, BACnet IP, BACnet MS/TP, LON, PLR, CANopen
  • PT 1000 (B) Rohranlegefühler (für Trinkwarmwasser)
  • PT 1000 (AA) Sensor zum Einbau in Tauchhülse
  • Differenzdrucksensor
  • Smart-Gateway

Sicherheitshinweise

Sicherheitshinweise

Bitte beachten Sie die folgenden Hinweise zur sicheren Nutzung der angebotenen Produkte.
Sie dienen der Vermeidung von Gefahren, Verletzungen sowie Sach- und Folgeschäden.

Die Nutzung darf ausschließlich bestimmungsgemäß und unter Beachtung aller mitgelieferten Produktinformationen erfolgen. Montage, Installation und Wartung dürfen – sofern erforderlich – nur durch qualifiziertes Fachpersonal durchgeführt werden.

Bewahren Sie alle sicherheitsrelevanten Informationen dauerhaft auf und geben Sie diese bei Weitergabe des Produkts an Dritte mit.

Pumpen und Hebeanlagen

Pumpen und Hebeanlagen sind für bestimmte Fördermedien ausgelegt und dürfen nur innerhalb dieser Spezifikationen betrieben werden.

Die Förderung von entzündlichen, explosiven oder aggressiven Stoffen ist unzulässig, sofern das Produkt hierfür nicht ausdrücklich zugelassen ist.

Ein Trockenlauf ist unbedingt zu vermeiden, da dies zu irreparablen Schäden an der Pumpe führen kann.

Elektrische Anschlüsse dürfen ausschließlich durch qualifiziertes Fachpersonal durchgeführt werden.

Die Anlagen sind regelmäßig zu warten und auf Funktionsfähigkeit zu überprüfen.
Verstopfungen oder Blockaden können zu Ausfällen und Folgeschäden führen.

Elektrische Komponenten und Systeme

Arbeiten an elektrischen Anlagen dürfen ausschließlich durch qualifizierte Elektrofachkräfte durchgeführt werden.

Vor Beginn von Arbeiten ist die Stromversorgung vollständig zu unterbrechen und gegen Wiedereinschalten zu sichern.

Elektrische Komponenten dürfen nicht mit Wasser oder Feuchtigkeit in Kontakt kommen, sofern sie nicht ausdrücklich dafür ausgelegt sind.

Beschädigte Kabel, Steckverbindungen oder Geräte dürfen nicht verwendet werden, da die Gefahr von Stromschlag oder Brand besteht.

Schwere und sperrige Produkte

Beim Transport und bei der Montage schwerer oder sperriger Produkte besteht eine erhöhte Verletzungsgefahr.

Der Transport sollte nach Möglichkeit durch mehrere Personen oder mit geeigneten Hilfsmitteln erfolgen.

Bei der Montage ist auf eine sichere Befestigung sowie auf die Tragfähigkeit von Wänden und Untergründen zu achten.

Unsachgemäße Handhabung kann zu Quetschungen, Stürzen oder Materialschäden führen.

Zusätzliche Hinweise

Die produktspezifischen Montageanleitungen, technischen Angaben und Sicherheitshinweise der jeweiligen Hersteller sind stets zu beachten und haben Vorrang.

Produktsicherheit

Hersteller
WILO SE

Adresse
Wilopark 1
44263 Dortmund
Deutschland

E-Mail
wilo@wilo.com

Eigenschaften

Serie: MAXO
Produktart: Nassläuferpumpe
Anwendungsbereich: Heizung
Anschlussgröße (DN): DN 50
Anschlussgröße (Rp): 2
Anschlussart: Flansch

Sicherheitshinweise

Sicherheitshinweise

Bitte beachten Sie die folgenden Hinweise zur sicheren Nutzung der angebotenen Produkte.
Sie dienen der Vermeidung von Gefahren, Verletzungen sowie Sach- und Folgeschäden.

Die Nutzung darf ausschließlich bestimmungsgemäß und unter Beachtung aller mitgelieferten Produktinformationen erfolgen. Montage, Installation und Wartung dürfen – sofern erforderlich – nur durch qualifiziertes Fachpersonal durchgeführt werden.

Bewahren Sie alle sicherheitsrelevanten Informationen dauerhaft auf und geben Sie diese bei Weitergabe des Produkts an Dritte mit.

Pumpen und Hebeanlagen

Pumpen und Hebeanlagen sind für bestimmte Fördermedien ausgelegt und dürfen nur innerhalb dieser Spezifikationen betrieben werden.

Die Förderung von entzündlichen, explosiven oder aggressiven Stoffen ist unzulässig, sofern das Produkt hierfür nicht ausdrücklich zugelassen ist.

Ein Trockenlauf ist unbedingt zu vermeiden, da dies zu irreparablen Schäden an der Pumpe führen kann.

Elektrische Anschlüsse dürfen ausschließlich durch qualifiziertes Fachpersonal durchgeführt werden.

Die Anlagen sind regelmäßig zu warten und auf Funktionsfähigkeit zu überprüfen.
Verstopfungen oder Blockaden können zu Ausfällen und Folgeschäden führen.

Elektrische Komponenten und Systeme

Arbeiten an elektrischen Anlagen dürfen ausschließlich durch qualifizierte Elektrofachkräfte durchgeführt werden.

Vor Beginn von Arbeiten ist die Stromversorgung vollständig zu unterbrechen und gegen Wiedereinschalten zu sichern.

Elektrische Komponenten dürfen nicht mit Wasser oder Feuchtigkeit in Kontakt kommen, sofern sie nicht ausdrücklich dafür ausgelegt sind.

Beschädigte Kabel, Steckverbindungen oder Geräte dürfen nicht verwendet werden, da die Gefahr von Stromschlag oder Brand besteht.

Schwere und sperrige Produkte

Beim Transport und bei der Montage schwerer oder sperriger Produkte besteht eine erhöhte Verletzungsgefahr.

Der Transport sollte nach Möglichkeit durch mehrere Personen oder mit geeigneten Hilfsmitteln erfolgen.

Bei der Montage ist auf eine sichere Befestigung sowie auf die Tragfähigkeit von Wänden und Untergründen zu achten.

Unsachgemäße Handhabung kann zu Quetschungen, Stürzen oder Materialschäden führen.

Zusätzliche Hinweise

Die produktspezifischen Montageanleitungen, technischen Angaben und Sicherheitshinweise der jeweiligen Hersteller sind stets zu beachten und haben Vorrang.