Zum Hauptinhalt springen Zur Suche springen Zur Hauptnavigation springen
Menü

Beschreibung

Wilo Nassläufer-Hocheffizienzpumpe Varios PICO-STG 25/1-8, G 1 1/2, 230V, 4232743

Hocheffizienzpumpe Wilo-Varios PICO-STG, elektronisch geregelt. Wartungsfreie Nassläufer-Umwälzpumpe mit Verschraubungsanschluss, blockierstromfester Synchronmotor nach ECM-Technologie und integrierter elektronischer Leistungsregelung zur stufenlosen Differenzdruckregelung. Einsetzbar für alle Heizungs- und Klimaanwendungen, sowie für Solar- und Geothermieanlagen.

Serienmäßig mit:

  • Vorwählbare Regelungsarten zur optimalen Lastanpassung:
    • Differenzdruck constant (dp-c), 3 vordefinierte Kennlinien
    • Differenzdruck variabel (dp-v), 3 vordefinierte Kennlinien
    • Konstant-Drehzahl (3 Drehzahlstufen)
    • Externe Regelung durch iPWM GT (Heizung/Geothermie) oder iPWM ST (Solar) Signal
  • Syn-Funktion (manueller Programmiermodus) zur Umprogrammierung der Pumpe im Austauschfall
  • Manuelle Entlüftungsfunktion zur Entlüftung des Rotorraumes
  • Manueller Neustart
  • LED Anzeige
    • Anzeige der gewählten Regelungsart und Kennlinie
    • Statusanzeige während der Entlüftung und des manuellen Neustarts
    • LED-Codierung während der Sync-Funktion
    • Betriebs- und Störungsanzeige
  • Integrierter Motorschutz
  • Automatische Deblockierfunktion
  • Elektrisches Anschlusskabel mit 3-poligem Steckeranschluss und Wilo-Connector
  • PWM-Anschluss
  • Kathaphoresebeschichtetes Pumpengehäuse

Betriebsdaten

  • Fördermedium: Wasser, Ethylenglykol, Propylenglykol
  • Min. Medientemperatur: -20 °C
  • Max. Medientemperatur: 110 °C
  • Min. Umgebungstemperatur: -10 °C
  • Max. Umgebungstemperatur: 40 °C
  • Maximaler Betriebsdruck: 10 bar

Motordaten

  • Energieeffizienzindex (EEI): 0.23
  • Netzanschluss: 1~230 V ±10%, 50/60 Hz
  • Motornennleistung: 55 W
  • Drehzahl min.: 2695 U/Min
  • Drehzahl max.: 4686 U/Min
  • Leistungsaufnahme: 1 W
  • Leistungsaufnahme: 75 W
  • Störaussendung: EN 61000-6-3
  • Störfestigkeit: EN 61000-6-2
  • Elektromagnetische Verträglichkeit: EN 61800-3
  • Isolationsklasse: F
  • Schutzart: IPX4D
  • Kabelverschraubung: 1 x PG11

Werkstoffe

  • Pumpengehäuse: Grauguss
  • Laufrad: PP-GF40
  • Welle: Edelstahl
  • Lager: Kohle, metallimprägniert

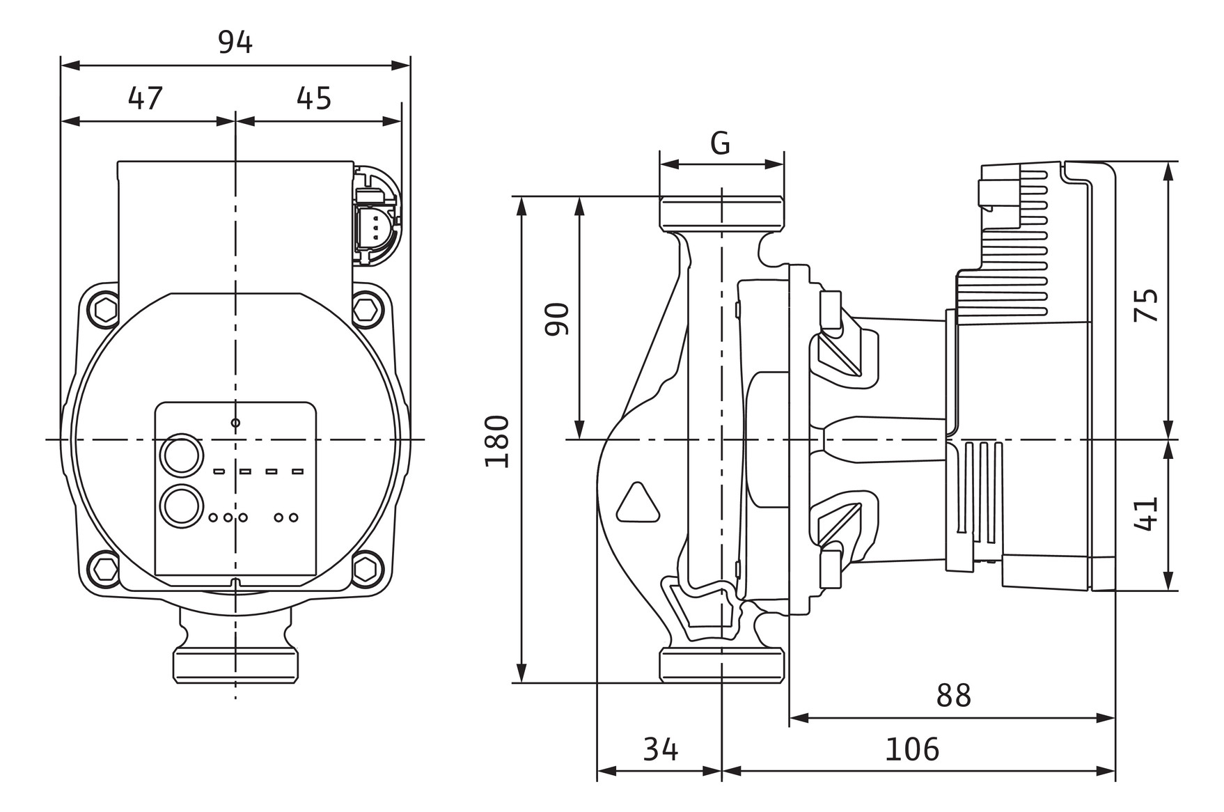
Einbaumaße

  • Saugseitiger Rohranschluss: G 1½
  • Druckseitiger Rohranschluss: G 1½
  • Baulänge: 180 mm

Bestellinformationen

  • Marke: Wilo
  • Produktbezeichnung: Varios PICO-STG 25/1-8
  • Gewicht netto ca.: 2 kg
  • Artikelnummer: 4232743

Sicherheitshinweise

Sicherheitshinweise

Bitte beachten Sie die folgenden Hinweise zur sicheren Nutzung der angebotenen Produkte.
Sie dienen der Vermeidung von Gefahren, Verletzungen sowie Sach- und Folgeschäden.

Die Nutzung darf ausschließlich bestimmungsgemäß und unter Beachtung aller mitgelieferten Produktinformationen erfolgen. Montage, Installation und Wartung dürfen – sofern erforderlich – nur durch qualifiziertes Fachpersonal durchgeführt werden.

Bewahren Sie alle sicherheitsrelevanten Informationen dauerhaft auf und geben Sie diese bei Weitergabe des Produkts an Dritte mit.

Pumpen und Hebeanlagen

Pumpen und Hebeanlagen sind für bestimmte Fördermedien ausgelegt und dürfen nur innerhalb dieser Spezifikationen betrieben werden.

Die Förderung von entzündlichen, explosiven oder aggressiven Stoffen ist unzulässig, sofern das Produkt hierfür nicht ausdrücklich zugelassen ist.

Ein Trockenlauf ist unbedingt zu vermeiden, da dies zu irreparablen Schäden an der Pumpe führen kann.

Elektrische Anschlüsse dürfen ausschließlich durch qualifiziertes Fachpersonal durchgeführt werden.

Die Anlagen sind regelmäßig zu warten und auf Funktionsfähigkeit zu überprüfen.
Verstopfungen oder Blockaden können zu Ausfällen und Folgeschäden führen.

Elektrische Komponenten und Systeme

Arbeiten an elektrischen Anlagen dürfen ausschließlich durch qualifizierte Elektrofachkräfte durchgeführt werden.

Vor Beginn von Arbeiten ist die Stromversorgung vollständig zu unterbrechen und gegen Wiedereinschalten zu sichern.

Elektrische Komponenten dürfen nicht mit Wasser oder Feuchtigkeit in Kontakt kommen, sofern sie nicht ausdrücklich dafür ausgelegt sind.

Beschädigte Kabel, Steckverbindungen oder Geräte dürfen nicht verwendet werden, da die Gefahr von Stromschlag oder Brand besteht.

Schwere und sperrige Produkte

Beim Transport und bei der Montage schwerer oder sperriger Produkte besteht eine erhöhte Verletzungsgefahr.

Der Transport sollte nach Möglichkeit durch mehrere Personen oder mit geeigneten Hilfsmitteln erfolgen.

Bei der Montage ist auf eine sichere Befestigung sowie auf die Tragfähigkeit von Wänden und Untergründen zu achten.

Unsachgemäße Handhabung kann zu Quetschungen, Stürzen oder Materialschäden führen.

Zusätzliche Hinweise

Die produktspezifischen Montageanleitungen, technischen Angaben und Sicherheitshinweise der jeweiligen Hersteller sind stets zu beachten und haben Vorrang.

Produktsicherheit

Hersteller
WILO SE

Adresse
Wilopark 1
44263 Dortmund
Deutschland

E-Mail
wilo@wilo.com

Eigenschaften

Serie: Varios PICO-STG
Produktart: Nassläuferpumpe
Anwendungsbereich: Heizung, Klima, Solar
Anschlussgröße (DN): DN 25
Anschlussgröße (Rp): 1
Nennweite (G): 1 1/2
Anschlussart: Verschraubung
Baubreite: 180 mm
Förderhöhe: 8 m

Sicherheitshinweise

Sicherheitshinweise

Bitte beachten Sie die folgenden Hinweise zur sicheren Nutzung der angebotenen Produkte.
Sie dienen der Vermeidung von Gefahren, Verletzungen sowie Sach- und Folgeschäden.

Die Nutzung darf ausschließlich bestimmungsgemäß und unter Beachtung aller mitgelieferten Produktinformationen erfolgen. Montage, Installation und Wartung dürfen – sofern erforderlich – nur durch qualifiziertes Fachpersonal durchgeführt werden.

Bewahren Sie alle sicherheitsrelevanten Informationen dauerhaft auf und geben Sie diese bei Weitergabe des Produkts an Dritte mit.

Pumpen und Hebeanlagen

Pumpen und Hebeanlagen sind für bestimmte Fördermedien ausgelegt und dürfen nur innerhalb dieser Spezifikationen betrieben werden.

Die Förderung von entzündlichen, explosiven oder aggressiven Stoffen ist unzulässig, sofern das Produkt hierfür nicht ausdrücklich zugelassen ist.

Ein Trockenlauf ist unbedingt zu vermeiden, da dies zu irreparablen Schäden an der Pumpe führen kann.

Elektrische Anschlüsse dürfen ausschließlich durch qualifiziertes Fachpersonal durchgeführt werden.

Die Anlagen sind regelmäßig zu warten und auf Funktionsfähigkeit zu überprüfen.
Verstopfungen oder Blockaden können zu Ausfällen und Folgeschäden führen.

Elektrische Komponenten und Systeme

Arbeiten an elektrischen Anlagen dürfen ausschließlich durch qualifizierte Elektrofachkräfte durchgeführt werden.

Vor Beginn von Arbeiten ist die Stromversorgung vollständig zu unterbrechen und gegen Wiedereinschalten zu sichern.

Elektrische Komponenten dürfen nicht mit Wasser oder Feuchtigkeit in Kontakt kommen, sofern sie nicht ausdrücklich dafür ausgelegt sind.

Beschädigte Kabel, Steckverbindungen oder Geräte dürfen nicht verwendet werden, da die Gefahr von Stromschlag oder Brand besteht.

Schwere und sperrige Produkte

Beim Transport und bei der Montage schwerer oder sperriger Produkte besteht eine erhöhte Verletzungsgefahr.

Der Transport sollte nach Möglichkeit durch mehrere Personen oder mit geeigneten Hilfsmitteln erfolgen.

Bei der Montage ist auf eine sichere Befestigung sowie auf die Tragfähigkeit von Wänden und Untergründen zu achten.

Unsachgemäße Handhabung kann zu Quetschungen, Stürzen oder Materialschäden führen.

Zusätzliche Hinweise

Die produktspezifischen Montageanleitungen, technischen Angaben und Sicherheitshinweise der jeweiligen Hersteller sind stets zu beachten und haben Vorrang.

Produktgalerie überspringen

Verschraubungen

Pumpenverschraubung Satz Rp 1'' AG x 1 1/2'' ÜW Aussengewinde schwarz mit Dichtungen PV25A - Bild 1
Art.-Nr. PV25A
Pumpenverschraubung Satz Rp 1'' AG x G 1 1/2'' ÜW Aussengewinde schwarz, inklusive Dichtungen

Auf Lager
Lieferzeit: 3-5 Werktage

Regulärer Preis: 9,50 €
Pumpenverschraubung Satz Rp 1'' AG x 1 1/2'' ÜW Aussengewinde schwarz ohne Dichtungen PV25AO - Bild 1
Art.-Nr. PV25AO
Pumpenverschraubung Satz Rp 1'' AG x 1 1/2'' ÜW Aussengewinde schwarz, ohne Dichtungen

Auf Lager
Lieferzeit: 3-5 Werktage

Regulärer Preis: 9,90 €
Pumpenverschraubung Satz Rp 1'' IG x 1 1/2'' ÜW Innengewinde schwarz ohne Dichtungen PV25IO - Bild 1
Art.-Nr. PV25IO
Pumpenverschraubung Satz Rp 1'' IG x 1 1/2'' ÜW Innengewinde schwarz, ohne Dichtungen

Auf Lager
Lieferzeit: 3-5 Werktage

Regulärer Preis: 7,60 €
Pumpenverschraubung Satz Rp 1'' IG x 1 1/2'' ÜW Innengewinde schwarz, inklusive Dichtungen - Bild 1
Art.-Nr. PV25I
Pumpenverschraubung Satz Rp 1'' IG x G 1 1/2'' ÜW Innengewinde schwarz, inklusive Dichtungen

Auf Lager
Lieferzeit: 3-5 Werktage

Regulärer Preis: 7,00 €
Produktgalerie überspringen

Modellreihe

Wilo Nassläufer-Hocheffizienzpumpe Varios PICO-STG 25/1-8-130, G 1 1/2, 230V, 4232744
Art.-Nr. 4232744
Wilo Nassläufer-Hocheffizienzpumpe Varios PICO-STG 25/1-8-130, G 1 1/2, 230V, 4232744

Auf Lager
Lieferzeit: 3-5 Werktage

Regulärer Preis: 395,90 €
Wilo Nassläufer-Hocheffizienzpumpe Varios PICO-STG 15/1-8, G 1, 230V, 4232742
Art.-Nr. 4232742
Wilo Nassläufer-Hocheffizienzpumpe Varios PICO-STG 15/1-8, G 1, 230V, 4232742

Auf Lager
Lieferzeit: 3-5 Werktage

Regulärer Preis: 428,90 €
Wilo Nassläufer-Hocheffizienzpumpe Varios PICO-STG 30/1-8, G 2, 230V, 4232745
Art.-Nr. 4232745
Wilo Nassläufer-Hocheffizienzpumpe Varios PICO-STG 30/1-8, G 2, 230V, 4232745

Auf Lager
Lieferzeit: 3-5 Werktage

Regulärer Preis: 448,90 €
Wilo Nassläufer-Hocheffizienzpumpe Varios PICO-STG 15/1-7, G 1, 230V, 4215540
Art.-Nr. 4215540
Wilo Nassläufer-Hocheffizienzpumpe Varios PICO-STG 15/1-7, G 1, 230V, 4215540

Auf Lager
Lieferzeit: 3-5 Werktage

Regulärer Preis: 441,90 €