Zum Hauptinhalt springen Zur Suche springen Zur Hauptnavigation springen
Menü
Beschreibung

Thermische Ablaufsicherung 3/4'' Messing mit Tauchhülse 1/2'', Kapillarrohr 1,3 Meter

Thermische Ablaufsicherung entspricht DIN EN 14597-2

  • Zur Absicherung von Feststoff-oder Wechselbrandkesseln in geschlossenen Heizungsanlagen entsprechend DIN EN 12828
  • Öffnet beim Erreichen der Ansprechtemperatur und führt Kaltwasser zur Abkühlung des Kessels zu
  • Gehäuse aus Messing, gelb
  • Mit Doppelfühler und Tauchhülse DN 15
  • Mit Kapillarrohr 1,3 Meter
  • Artikelnummer: 27906.13

Technische Daten:

  • Max. Heizleistung der Anlage 100 kW
  • Ansprechtemperatur: 95°C
  • Arbeitsdruck: max. 10 bar
  • Fühlertemperaturen max.: 80°C / 125°C / 125°C
  • Umgebungstemperatur Schaltkopf: 0...60°C
  • Medium: Wasser
  • Anschlüsse: G 3/4”
  • Schutzrohr: G 1/2”
  • Durchflussleistung bei ΔP 1 bar:
  • bei Öffnungstemperatur 55°C: 1,60 m3/h
  • bei Öffnungstemperatur 95°C: 1,35 m3/h
  • bei Öffnungstemperatur 108°C: 1,74 m3/h

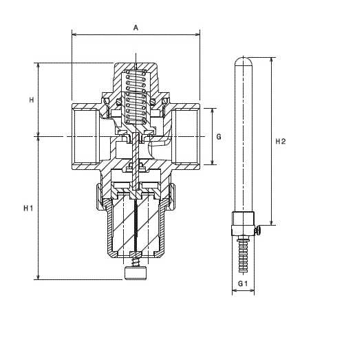
Abmessungen:

  • A: 60 mm
  • H: 34,5 mm
  • H1: 67,1 mm
  • H2: 157,5 mm
  • G: 3/4"
  • G1: 1/2"
Eigenschaften
Produktart: TAS, Thermische Ablaufsicherung
Abmessung (DN): DN 20
Abmessung (Zoll): 3/4"
Downloads
Sicherheitshinweise

Sicherheitshinweise

Bitte beachten Sie die folgenden Hinweise zur sicheren Nutzung der angebotenen Produkte.
Sie dienen der Vermeidung von Gefahren, Verletzungen sowie Sach- und Folgeschäden.

Die Nutzung darf ausschließlich bestimmungsgemäß und unter Beachtung aller mitgelieferten Produktinformationen erfolgen. Montage, Installation und Wartung dürfen – sofern erforderlich – nur durch qualifiziertes Fachpersonal durchgeführt werden.

Bewahren Sie alle sicherheitsrelevanten Informationen dauerhaft auf und geben Sie diese bei Weitergabe des Produkts an Dritte mit.

Heizungsanlagen und Heiztechnik

Heizungsanlagen arbeiten mit hohen Temperaturen und – je nach System – unter erheblichem Druck.
Es besteht Verbrennungs-, Verbrühungs- und Verletzungsgefahr.

Vor allen Arbeiten ist die Anlage außer Betrieb zu nehmen, gegen Wiedereinschalten zu sichern, drucklos zu machen und ausreichend abkühlen zu lassen.

Arbeiten an Heizungsanlagen dürfen nur durch qualifizierte Fachbetriebe durchgeführt werden.
Dies gilt insbesondere für Eingriffe in sicherheitsrelevante Bauteile.

Bei gasbetriebenen Anlagen besteht bei unsachgemäßer Installation oder Wartung akute Explosions- und Vergiftungsgefahr.
Gasinstallationen dürfen ausschließlich durch zugelassene Fachbetriebe erfolgen.

Sicherheitsbauteile wie Sicherheitsventile, Ausdehnungsgefäße oder Regelungseinrichtungen dürfen nicht manipuliert oder außer Betrieb gesetzt werden und sind regelmäßig zu überprüfen.

Undichte Stellen können zu Wasserschäden, Druckverlust oder Funktionsstörungen führen und sind umgehend zu beheben.

Heizkörper

Heizkörper und deren Oberflächen können im Betrieb sehr hohe Temperaturen erreichen.
Es besteht insbesondere für Kinder und empfindliche Personen Verbrennungsgefahr.

Heizkörper dürfen nicht abgedeckt oder durch Möbel oder Gegenstände verstellt werden, da dies die Wärmeabgabe beeinträchtigt und zu Überhitzung oder im Extremfall zu Brandgefahr führen kann.

Die Montage muss fachgerecht und mit geeigneten Befestigungssystemen erfolgen.
Eine unsachgemäße Befestigung kann zum Herabfallen des Heizkörpers und zu erheblichen Verletzungen führen.

Beim Entlüften kann heißes Wasser oder Dampf austreten. Es ist geeigneter Schutz zu beachten.

Thermostatventile dürfen nicht gewaltsam betätigt oder manipuliert werden, da dies zu Funktionsstörungen führen kann.

Elektrische Komponenten und Systeme

Arbeiten an elektrischen Anlagen dürfen ausschließlich durch qualifizierte Elektrofachkräfte durchgeführt werden.

Vor Beginn von Arbeiten ist die Stromversorgung vollständig zu unterbrechen und gegen Wiedereinschalten zu sichern.

Elektrische Komponenten dürfen nicht mit Wasser oder Feuchtigkeit in Kontakt kommen, sofern sie nicht ausdrücklich dafür ausgelegt sind.

Beschädigte Kabel, Steckverbindungen oder Geräte dürfen nicht verwendet werden, da die Gefahr von Stromschlag oder Brand besteht.

Schwere und sperrige Produkte

Beim Transport und bei der Montage schwerer oder sperriger Produkte besteht eine erhöhte Verletzungsgefahr.

Der Transport sollte nach Möglichkeit durch mehrere Personen oder mit geeigneten Hilfsmitteln erfolgen.

Bei der Montage ist auf eine sichere Befestigung sowie auf die Tragfähigkeit von Wänden und Untergründen zu achten.

Unsachgemäße Handhabung kann zu Quetschungen, Stürzen oder Materialschäden führen.

Zusätzliche Hinweise

Die produktspezifischen Montageanleitungen, technischen Angaben und Sicherheitshinweise der jeweiligen Hersteller sind stets zu beachten und haben Vorrang.

Downloads
Sicherheitshinweise

Sicherheitshinweise

Bitte beachten Sie die folgenden Hinweise zur sicheren Nutzung der angebotenen Produkte.
Sie dienen der Vermeidung von Gefahren, Verletzungen sowie Sach- und Folgeschäden.

Die Nutzung darf ausschließlich bestimmungsgemäß und unter Beachtung aller mitgelieferten Produktinformationen erfolgen. Montage, Installation und Wartung dürfen – sofern erforderlich – nur durch qualifiziertes Fachpersonal durchgeführt werden.

Bewahren Sie alle sicherheitsrelevanten Informationen dauerhaft auf und geben Sie diese bei Weitergabe des Produkts an Dritte mit.

Heizungsanlagen und Heiztechnik

Heizungsanlagen arbeiten mit hohen Temperaturen und – je nach System – unter erheblichem Druck.
Es besteht Verbrennungs-, Verbrühungs- und Verletzungsgefahr.

Vor allen Arbeiten ist die Anlage außer Betrieb zu nehmen, gegen Wiedereinschalten zu sichern, drucklos zu machen und ausreichend abkühlen zu lassen.

Arbeiten an Heizungsanlagen dürfen nur durch qualifizierte Fachbetriebe durchgeführt werden.
Dies gilt insbesondere für Eingriffe in sicherheitsrelevante Bauteile.

Bei gasbetriebenen Anlagen besteht bei unsachgemäßer Installation oder Wartung akute Explosions- und Vergiftungsgefahr.
Gasinstallationen dürfen ausschließlich durch zugelassene Fachbetriebe erfolgen.

Sicherheitsbauteile wie Sicherheitsventile, Ausdehnungsgefäße oder Regelungseinrichtungen dürfen nicht manipuliert oder außer Betrieb gesetzt werden und sind regelmäßig zu überprüfen.

Undichte Stellen können zu Wasserschäden, Druckverlust oder Funktionsstörungen führen und sind umgehend zu beheben.

Heizkörper

Heizkörper und deren Oberflächen können im Betrieb sehr hohe Temperaturen erreichen.
Es besteht insbesondere für Kinder und empfindliche Personen Verbrennungsgefahr.

Heizkörper dürfen nicht abgedeckt oder durch Möbel oder Gegenstände verstellt werden, da dies die Wärmeabgabe beeinträchtigt und zu Überhitzung oder im Extremfall zu Brandgefahr führen kann.

Die Montage muss fachgerecht und mit geeigneten Befestigungssystemen erfolgen.
Eine unsachgemäße Befestigung kann zum Herabfallen des Heizkörpers und zu erheblichen Verletzungen führen.

Beim Entlüften kann heißes Wasser oder Dampf austreten. Es ist geeigneter Schutz zu beachten.

Thermostatventile dürfen nicht gewaltsam betätigt oder manipuliert werden, da dies zu Funktionsstörungen führen kann.

Elektrische Komponenten und Systeme

Arbeiten an elektrischen Anlagen dürfen ausschließlich durch qualifizierte Elektrofachkräfte durchgeführt werden.

Vor Beginn von Arbeiten ist die Stromversorgung vollständig zu unterbrechen und gegen Wiedereinschalten zu sichern.

Elektrische Komponenten dürfen nicht mit Wasser oder Feuchtigkeit in Kontakt kommen, sofern sie nicht ausdrücklich dafür ausgelegt sind.

Beschädigte Kabel, Steckverbindungen oder Geräte dürfen nicht verwendet werden, da die Gefahr von Stromschlag oder Brand besteht.

Schwere und sperrige Produkte

Beim Transport und bei der Montage schwerer oder sperriger Produkte besteht eine erhöhte Verletzungsgefahr.

Der Transport sollte nach Möglichkeit durch mehrere Personen oder mit geeigneten Hilfsmitteln erfolgen.

Bei der Montage ist auf eine sichere Befestigung sowie auf die Tragfähigkeit von Wänden und Untergründen zu achten.

Unsachgemäße Handhabung kann zu Quetschungen, Stürzen oder Materialschäden führen.

Zusätzliche Hinweise

Die produktspezifischen Montageanleitungen, technischen Angaben und Sicherheitshinweise der jeweiligen Hersteller sind stets zu beachten und haben Vorrang.

Hersteller
IMT ARMATUREN AG

Adresse
Unterlettenstrasse 10
CH-9443 Widnau
Schweiz

E-Mail
verkauf@imt-ch.com Verantwortliche Person: Hubert Böttcher