Zum Hauptinhalt springen Zur Suche springen Zur Hauptnavigation springen
Menü
Beschreibung

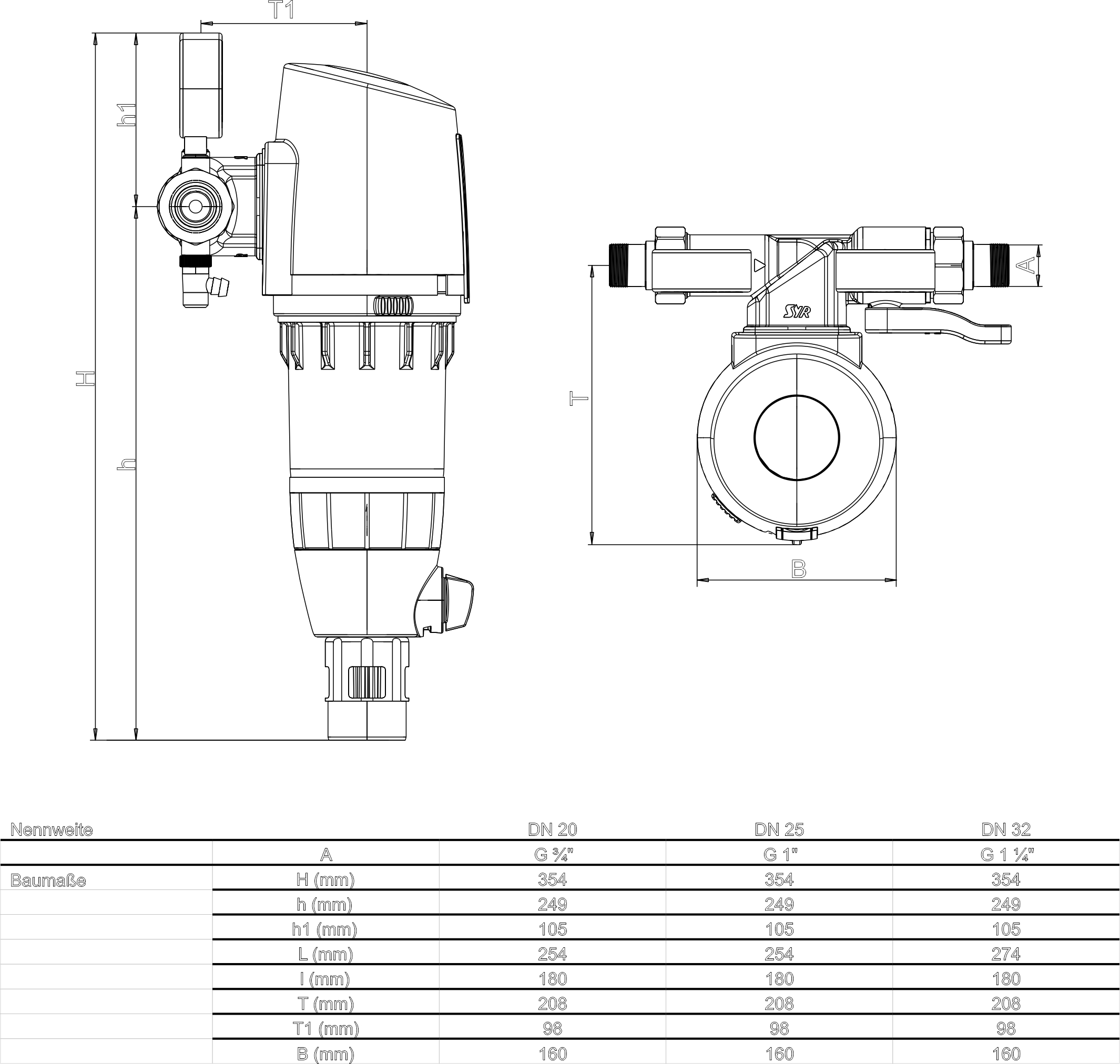
SYR Hauswasserstation 2000 Plus DN 20 inklusive Anschlussflansch 3/4'' und Manometer 2000.20.018

  • Hauswasserstation 2000 Plus entspricht DIN 1988
  • Verwendungsbereich Trinkwasser bis 30C Betriebsdruck min. 2 bar, max. 16 bar
  • Maschenweite 90 um
  • Schallschutzgeprüft Klasse I
  • Für Eigenwasserversorgungsanlagen nicht geeignet

Hauswasserstation 2000 Plus bestehend aus:

  • Rückflussverhinderer mit Prüfeinrichtung
  • Rückspülfilter (Maschenweite 90 um)
  • Druckminderer
  • Wartungsabsperrung (DN 20 bis DN 32)
  • Hauptstrangentleerung (DN 20 bis DN 32)
  • Eingangsdruckmanometer 0-25 bar und Ausgangsdruckmanometer 0-10 bar
  • Gehäuse
  • Anschlussflansch aus Rotguss (DN 20 bis DN 32) bzw. Pressmessing (DN 40 und DN 50)
  • Druckminderer regelbar von 1,5 bis 6 bar
  • Werkseitig eingestellt auf 4 bar
  • Durchflussleistung DN 20: 2,3 m3/h bei Dp max. 1,1 bar

Einbau

Die Einbaulage kann senkrecht oder waagerecht gewählt werden. Der Flansch muss unmittelbar hinter dem Wasserzähler installiert werden, wobei der in der Anschlussverschraubung integrierte Rückflussverhinderer die Sicherung der Trinkwasseranlage übernimmt. Die Installation der Hauswasserstation 2000+ ersetzt normgerecht alle Einzelarmaturen (inkl. KFR-Ventil).

Montage

Vor der Installation ist die Rohrleitung sorgfältig durchzuspülen. Der Flansch wird spannungsfrei unter Beachtung der Fließrichtung (Pfeil auf dem Gehäuse) lotrecht in die Rohrleitung montiert. Für die Hauswasserstation 2000+ werden von der Rohrmitte bis zum Boden 400 mm Platz benötigt. Der Rückspülfilter wird mittels Innensechskantschrauben druckdicht angezogen.

Eigenschaften
Serie: 2000 Plus
Produktart: Hauswasserstation
Abmessung (DN): DN 20
Abmessung (Zoll): 3/4"
Sicherheitshinweise

Sicherheitshinweise

Bitte beachten Sie die folgenden Hinweise zur sicheren Nutzung der angebotenen Produkte.
Sie dienen der Vermeidung von Gefahren, Verletzungen sowie Sach- und Folgeschäden.

Die Nutzung darf ausschließlich bestimmungsgemäß und unter Beachtung aller mitgelieferten Produktinformationen erfolgen. Montage, Installation und Wartung dürfen – sofern erforderlich – nur durch qualifiziertes Fachpersonal durchgeführt werden.

Bewahren Sie alle sicherheitsrelevanten Informationen dauerhaft auf und geben Sie diese bei Weitergabe des Produkts an Dritte mit.

Entwässerungs- und Abwassersysteme

Entwässerungssysteme müssen fachgerecht installiert werden, um einen sicheren Abfluss von Abwasser zu gewährleisten.

Alle Verbindungen sind dicht auszuführen. Undichtigkeiten können zu erheblichen Gebäudeschäden führen.

Es ist auf mögliche Rückstauereignisse zu achten. Gegebenenfalls sind geeignete Rückstausicherungen zu installieren.

Zur Beseitigung von Verstopfungen dürfen keine ungeeigneten oder aggressiven chemischen Mittel verwendet werden, da diese Materialien angreifen können.

Regelmäßige Wartung und Kontrolle sind erforderlich, um Funktionsstörungen und Schäden zu vermeiden.

Elektrische Komponenten und Systeme

Arbeiten an elektrischen Anlagen dürfen ausschließlich durch qualifizierte Elektrofachkräfte durchgeführt werden.

Vor Beginn von Arbeiten ist die Stromversorgung vollständig zu unterbrechen und gegen Wiedereinschalten zu sichern.

Elektrische Komponenten dürfen nicht mit Wasser oder Feuchtigkeit in Kontakt kommen, sofern sie nicht ausdrücklich dafür ausgelegt sind.

Beschädigte Kabel, Steckverbindungen oder Geräte dürfen nicht verwendet werden, da die Gefahr von Stromschlag oder Brand besteht.

Schwere und sperrige Produkte

Beim Transport und bei der Montage schwerer oder sperriger Produkte besteht eine erhöhte Verletzungsgefahr.

Der Transport sollte nach Möglichkeit durch mehrere Personen oder mit geeigneten Hilfsmitteln erfolgen.

Bei der Montage ist auf eine sichere Befestigung sowie auf die Tragfähigkeit von Wänden und Untergründen zu achten.

Unsachgemäße Handhabung kann zu Quetschungen, Stürzen oder Materialschäden führen.

Zusätzliche Hinweise

Die produktspezifischen Montageanleitungen, technischen Angaben und Sicherheitshinweise der jeweiligen Hersteller sind stets zu beachten und haben Vorrang.

Sicherheitshinweise

Sicherheitshinweise

Bitte beachten Sie die folgenden Hinweise zur sicheren Nutzung der angebotenen Produkte.
Sie dienen der Vermeidung von Gefahren, Verletzungen sowie Sach- und Folgeschäden.

Die Nutzung darf ausschließlich bestimmungsgemäß und unter Beachtung aller mitgelieferten Produktinformationen erfolgen. Montage, Installation und Wartung dürfen – sofern erforderlich – nur durch qualifiziertes Fachpersonal durchgeführt werden.

Bewahren Sie alle sicherheitsrelevanten Informationen dauerhaft auf und geben Sie diese bei Weitergabe des Produkts an Dritte mit.

Entwässerungs- und Abwassersysteme

Entwässerungssysteme müssen fachgerecht installiert werden, um einen sicheren Abfluss von Abwasser zu gewährleisten.

Alle Verbindungen sind dicht auszuführen. Undichtigkeiten können zu erheblichen Gebäudeschäden führen.

Es ist auf mögliche Rückstauereignisse zu achten. Gegebenenfalls sind geeignete Rückstausicherungen zu installieren.

Zur Beseitigung von Verstopfungen dürfen keine ungeeigneten oder aggressiven chemischen Mittel verwendet werden, da diese Materialien angreifen können.

Regelmäßige Wartung und Kontrolle sind erforderlich, um Funktionsstörungen und Schäden zu vermeiden.

Elektrische Komponenten und Systeme

Arbeiten an elektrischen Anlagen dürfen ausschließlich durch qualifizierte Elektrofachkräfte durchgeführt werden.

Vor Beginn von Arbeiten ist die Stromversorgung vollständig zu unterbrechen und gegen Wiedereinschalten zu sichern.

Elektrische Komponenten dürfen nicht mit Wasser oder Feuchtigkeit in Kontakt kommen, sofern sie nicht ausdrücklich dafür ausgelegt sind.

Beschädigte Kabel, Steckverbindungen oder Geräte dürfen nicht verwendet werden, da die Gefahr von Stromschlag oder Brand besteht.

Schwere und sperrige Produkte

Beim Transport und bei der Montage schwerer oder sperriger Produkte besteht eine erhöhte Verletzungsgefahr.

Der Transport sollte nach Möglichkeit durch mehrere Personen oder mit geeigneten Hilfsmitteln erfolgen.

Bei der Montage ist auf eine sichere Befestigung sowie auf die Tragfähigkeit von Wänden und Untergründen zu achten.

Unsachgemäße Handhabung kann zu Quetschungen, Stürzen oder Materialschäden führen.

Zusätzliche Hinweise

Die produktspezifischen Montageanleitungen, technischen Angaben und Sicherheitshinweise der jeweiligen Hersteller sind stets zu beachten und haben Vorrang.

Produktsicherheit

Hersteller
Hans Sasserath GmbH & Co. KG

Adresse
Mühlenstrasse 62
41352 Korschenbroich
Deutschland

E-Mail
sasserath@syr.de