Zum Hauptinhalt springen Zur Suche springen Zur Hauptnavigation springen
Menü
Beschreibung

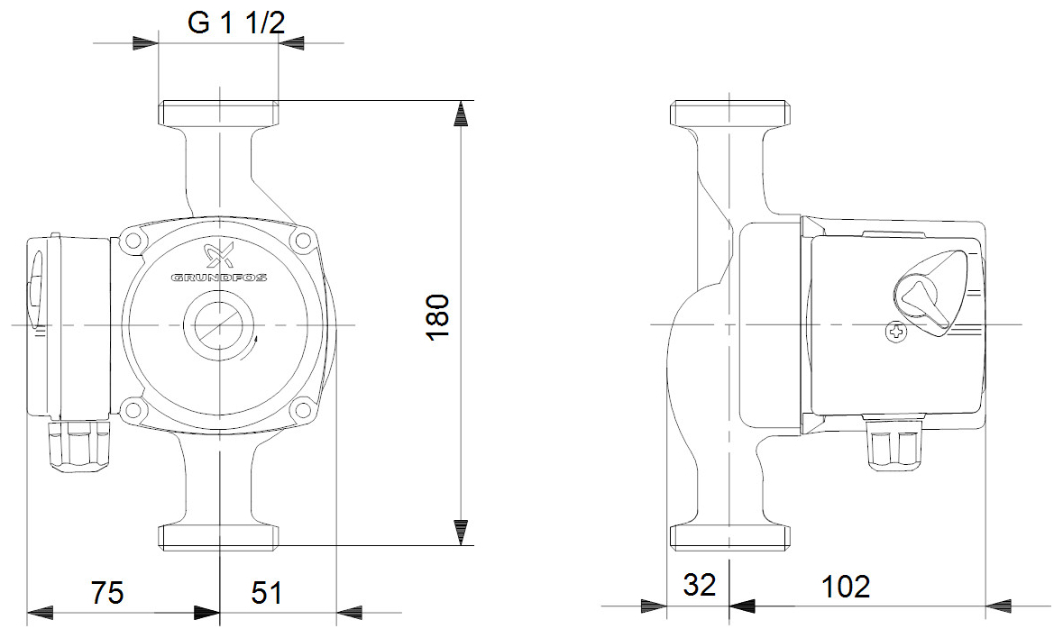
GRUNDFOS Zirkulationspumpe UPS 25-60 N 180mm, Edelstahl, 1x230V, G 1 1/2, 96913085

Umwälzpumpe Typ: UPS 25-60 N 180

Umwälzpumpe mit 1-phasigem Naßläufermotor, Leistungsanpassung durch 3 Drehzahlstufen, Drehzahlstufen wählbar über Stufenschalter, externer Motorschutz erforderlich. Pumpe und Motor bilden eine Einheit, d.h.wartungsfreie Lagerschmierung durch das Fördermedium, Wellenabdichtung nicht erforderlich. Schalter ausgestattet.

Folgende Eigenschaften zeichnen die Pumpe aus:

  • Radiallager aus Keramik
  • Axiallager aus Kohle
  • Lagerplatte und Spaltrohrtopf aus nichtrostendem Stahl
  • Korrosionsbeständiges Laufrad, Verbundwerkstoff
  • Pumpengehäuse aus Edelstahl

Die Pumpe ist mit einem 1-phasigen Motor ausge- rüstet. Dieser benötigt keinen weiteren, externen Motor- schutz.

Fördermedium:

  • Fördermedium: Wasser
  • Medientemperaturbereich: 2 .. 110 °C
  • Medientemperatur während des Betriebs: 60 °C
  • Dichte: 983.2 kg/m³

Technische Daten:

  • Nennförderstrom: 1.91 m³/h
  • Nennförderhöhe: 3.1 m
  • Temperaturklasse: 110
  • Zulassungen: CE,VDE,EAC,WEEE,RCM

Werkstoffe:

  • Pumpengehäuse: Edelstahl
  • Pumpenmantel: EN 1.4308
  • Laufradwerkstoff: Verbundwerkstoff
  • Laufrad: PES+30% GF

Installation:

  • Umgebungstemperatur: 0 .. 40 °C
  • Max. Umgebungstemperatur bei 80 °C Medientemperatur: 40 °C
  • Max. Betriebsdruck: 10 bar
  • Anschlusstyp: G
  • Anschlussgröße: 1 1/2 inch
  • Nenndruckstufe: PN 10
  • Einbaulänge: 180 mm

Elektrische Daten:

  • Leistungsaufnahme P1 bei Drehzahlstufe 1: 50 W
  • Leistungsaufnahme P1 bei Drehzahlstufe 2: 55 W
  • Leistungsaufnahme P1 bei Drehzahlstufe 3: 60 W
  • Netzfrequenz: 50 Hz
  • Bemessungsspannung: 1 x 230 V
  • Strom bei Drehzahlstufe 1: 0.21 A
  • Strom bei Drehzahlstufe 2: 0.25 A
  • Stromaufnahme Drehzahlstufe 3: 0.28 A
  • Größe des Betriebskondensators: 2.5 µF
  • Schutzart (gemäß IEC 34-5): IP44
  • Isolationsklasse (IEC 85): F
  • Motorschutz: kein Motorschutz

Sonstiges:

  • Marke: Grundfos
  • Modell: UPS 25-60 N 180
  • Artikelnummer: 96913085
Eigenschaften
Serie: UPS 25
Produktart: Nassläuferpumpe
Anschlussgröße (DN): DN 25
Anschlussgröße (Rp): 1
Baubreite (mm): 180 mm
Nennweite (G): 6/4 (= 1 1/2)
Sicherheitshinweise

Sicherheitshinweise

Bitte beachten Sie die folgenden Hinweise zur sicheren Nutzung der angebotenen Produkte.
Sie dienen der Vermeidung von Gefahren, Verletzungen sowie Sach- und Folgeschäden.

Die Nutzung darf ausschließlich bestimmungsgemäß und unter Beachtung aller mitgelieferten Produktinformationen erfolgen. Montage, Installation und Wartung dürfen – sofern erforderlich – nur durch qualifiziertes Fachpersonal durchgeführt werden.

Bewahren Sie alle sicherheitsrelevanten Informationen dauerhaft auf und geben Sie diese bei Weitergabe des Produkts an Dritte mit.

Pumpen und Hebeanlagen

Pumpen und Hebeanlagen sind für bestimmte Fördermedien ausgelegt und dürfen nur innerhalb dieser Spezifikationen betrieben werden.

Die Förderung von entzündlichen, explosiven oder aggressiven Stoffen ist unzulässig, sofern das Produkt hierfür nicht ausdrücklich zugelassen ist.

Ein Trockenlauf ist unbedingt zu vermeiden, da dies zu irreparablen Schäden an der Pumpe führen kann.

Elektrische Anschlüsse dürfen ausschließlich durch qualifiziertes Fachpersonal durchgeführt werden.

Die Anlagen sind regelmäßig zu warten und auf Funktionsfähigkeit zu überprüfen.
Verstopfungen oder Blockaden können zu Ausfällen und Folgeschäden führen.

Elektrische Komponenten und Systeme

Arbeiten an elektrischen Anlagen dürfen ausschließlich durch qualifizierte Elektrofachkräfte durchgeführt werden.

Vor Beginn von Arbeiten ist die Stromversorgung vollständig zu unterbrechen und gegen Wiedereinschalten zu sichern.

Elektrische Komponenten dürfen nicht mit Wasser oder Feuchtigkeit in Kontakt kommen, sofern sie nicht ausdrücklich dafür ausgelegt sind.

Beschädigte Kabel, Steckverbindungen oder Geräte dürfen nicht verwendet werden, da die Gefahr von Stromschlag oder Brand besteht.

Schwere und sperrige Produkte

Beim Transport und bei der Montage schwerer oder sperriger Produkte besteht eine erhöhte Verletzungsgefahr.

Der Transport sollte nach Möglichkeit durch mehrere Personen oder mit geeigneten Hilfsmitteln erfolgen.

Bei der Montage ist auf eine sichere Befestigung sowie auf die Tragfähigkeit von Wänden und Untergründen zu achten.

Unsachgemäße Handhabung kann zu Quetschungen, Stürzen oder Materialschäden führen.

Zusätzliche Hinweise

Die produktspezifischen Montageanleitungen, technischen Angaben und Sicherheitshinweise der jeweiligen Hersteller sind stets zu beachten und haben Vorrang.

Sicherheitshinweise

Sicherheitshinweise

Bitte beachten Sie die folgenden Hinweise zur sicheren Nutzung der angebotenen Produkte.
Sie dienen der Vermeidung von Gefahren, Verletzungen sowie Sach- und Folgeschäden.

Die Nutzung darf ausschließlich bestimmungsgemäß und unter Beachtung aller mitgelieferten Produktinformationen erfolgen. Montage, Installation und Wartung dürfen – sofern erforderlich – nur durch qualifiziertes Fachpersonal durchgeführt werden.

Bewahren Sie alle sicherheitsrelevanten Informationen dauerhaft auf und geben Sie diese bei Weitergabe des Produkts an Dritte mit.

Pumpen und Hebeanlagen

Pumpen und Hebeanlagen sind für bestimmte Fördermedien ausgelegt und dürfen nur innerhalb dieser Spezifikationen betrieben werden.

Die Förderung von entzündlichen, explosiven oder aggressiven Stoffen ist unzulässig, sofern das Produkt hierfür nicht ausdrücklich zugelassen ist.

Ein Trockenlauf ist unbedingt zu vermeiden, da dies zu irreparablen Schäden an der Pumpe führen kann.

Elektrische Anschlüsse dürfen ausschließlich durch qualifiziertes Fachpersonal durchgeführt werden.

Die Anlagen sind regelmäßig zu warten und auf Funktionsfähigkeit zu überprüfen.
Verstopfungen oder Blockaden können zu Ausfällen und Folgeschäden führen.

Elektrische Komponenten und Systeme

Arbeiten an elektrischen Anlagen dürfen ausschließlich durch qualifizierte Elektrofachkräfte durchgeführt werden.

Vor Beginn von Arbeiten ist die Stromversorgung vollständig zu unterbrechen und gegen Wiedereinschalten zu sichern.

Elektrische Komponenten dürfen nicht mit Wasser oder Feuchtigkeit in Kontakt kommen, sofern sie nicht ausdrücklich dafür ausgelegt sind.

Beschädigte Kabel, Steckverbindungen oder Geräte dürfen nicht verwendet werden, da die Gefahr von Stromschlag oder Brand besteht.

Schwere und sperrige Produkte

Beim Transport und bei der Montage schwerer oder sperriger Produkte besteht eine erhöhte Verletzungsgefahr.

Der Transport sollte nach Möglichkeit durch mehrere Personen oder mit geeigneten Hilfsmitteln erfolgen.

Bei der Montage ist auf eine sichere Befestigung sowie auf die Tragfähigkeit von Wänden und Untergründen zu achten.

Unsachgemäße Handhabung kann zu Quetschungen, Stürzen oder Materialschäden führen.

Zusätzliche Hinweise

Die produktspezifischen Montageanleitungen, technischen Angaben und Sicherheitshinweise der jeweiligen Hersteller sind stets zu beachten und haben Vorrang.

Produktsicherheit

Hersteller
Grundfos GmbH

Adresse
Schlüterstraße 33
40699 Erkrath
Deutschland

E-Mail
infoservice@grundfos.com