Zum Hauptinhalt springen Zur Suche springen Zur Hauptnavigation springen
Menü

Beschreibung

CLAGE Klein-Durchlauferhitzer MBX3 3,5kW druckfest Untertischanlage mit Armatur Lumino 1500-15113

CLAGE MBX3 Lumino Untertischanlage 3,5kW 230V

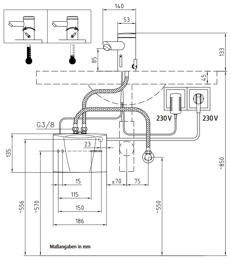
Elektronisch geregelter Durchlauf­erhitzer mit Sensorarmatur für hygienisches und effizientes Hände­waschen. Durch einen Infrarotsensor schaltet die Armatur das Wasser berührungslos ein und aus. Die Wassertemperatur kann mit einem Hebel an der Armatur stufenlos eingestellt werden. Die Temperaturregelung erfolgt über die Elektronik des Durch­lauf­erhitzers, ohne Kaltwasser beizumischen. Ein LED-Farblichtring visualisiert die gewählte Temperatur im Farbverlauf von rot (= warm) bis blau (= kalt). One-Pipe-System: Die Armatur besitzt nur eine einzelne Wasserzuleitung. Dies gewährleistet eine vollständige Spülung aller Wasserwege – einschließlich des Durchlauferhitzers – unabhängig von der gewählten Auslauftemperatur. Aktivierbare Hygienespülung (automatische Spülung alle 12, 24 oder 48 Stunden). Die Elektronik des Durchlauferhitzers sichert bedarfs­gerechte Temperaturen und sparsamen Energie­verbrauch.

Vorteile:

  • Sekundenschnell warmes Wasser
  • Energieersparnis
  • Wasserersparnis
  • Formschönes Design
  • Leichte Handhabung

Produktmerkmale:

  • Mit berührungsloser Sensorarmatur für Waschbecken
  • E-Kleindurchlauferhitzer elektronisch geregelt
  • Im Set mit berührungsloser Sensorarmatur für energieeffizientes und hygienisches Händewaschen
  • Temperatureinstellung bis zu 42 °C am seitlichen Hebel der Armatur
  • Temperaturanzeige über LED Farbring im stufenlosen Verlauf blau - weiß - rot
  • Automatische, berührungslose Aktivierung des Durchlauferhitzers über den Infrarotsensor der Armatur
  • Mit aktivierbarer Hygienespülung (automatische Spülung alle 12, 24 oder 48 Stunden)
  • Anschlussschlauch 3/8" × 50 cm im Lieferumfang enthalten
  • Steckerfertig
  • Druckfeste Bauart
  • 3/8" Anschlüsse
  • IP 25

Die Armatur benötigt eine separate Steckdose (230 V / 16 A) zusätzlich zum Elektroanschluss des Durchlauferhitzers.

Technische Daten:

  • Leistung/Spannung: 3,5 kW / 230 V
  • Absicherung: 15 A
  • Anschluss: steckerfertig
  • Nennquerschnitt: 1,5 mm²
  • Warmwasserleistung: 2,0 l/min ca. 40 °C
  • Einschaltwassermenge: 1,2 l/min
  • Einsatz: Handwaschbecken mit Temperaturbegrenzung
  • Gewicht Gerät: 1,5 kg mit Wasser
  • Maße Gerät (HxBxT): 135 x 186 x 87 mm
  • Marke: CLAGE
  • Modell: MBX3 Lumino
  • Artikelnummer: 1500-15113

Elektronisch geregelte Durchlauferhitzer sind förderfähig!

Weitere Informationen finden Sie hier: https://www.clage.com/de/energieeffizienz/gebaeudeenergiegesetz-geg-und-foerderungen

Sicherheitshinweise

Sicherheitshinweise

Bitte beachten Sie die folgenden Hinweise zur sicheren Nutzung der angebotenen Produkte.
Sie dienen der Vermeidung von Gefahren, Verletzungen sowie Sach- und Folgeschäden.

Die Nutzung darf ausschließlich bestimmungsgemäß und unter Beachtung aller mitgelieferten Produktinformationen erfolgen. Montage, Installation und Wartung dürfen – sofern erforderlich – nur durch qualifiziertes Fachpersonal durchgeführt werden.

Bewahren Sie alle sicherheitsrelevanten Informationen dauerhaft auf und geben Sie diese bei Weitergabe des Produkts an Dritte mit.

Entwässerungs- und Abwassersysteme

Entwässerungssysteme müssen fachgerecht installiert werden, um einen sicheren Abfluss von Abwasser zu gewährleisten.

Alle Verbindungen sind dicht auszuführen. Undichtigkeiten können zu erheblichen Gebäudeschäden führen.

Es ist auf mögliche Rückstauereignisse zu achten. Gegebenenfalls sind geeignete Rückstausicherungen zu installieren.

Zur Beseitigung von Verstopfungen dürfen keine ungeeigneten oder aggressiven chemischen Mittel verwendet werden, da diese Materialien angreifen können.

Regelmäßige Wartung und Kontrolle sind erforderlich, um Funktionsstörungen und Schäden zu vermeiden.

Elektrische Komponenten und Systeme

Arbeiten an elektrischen Anlagen dürfen ausschließlich durch qualifizierte Elektrofachkräfte durchgeführt werden.

Vor Beginn von Arbeiten ist die Stromversorgung vollständig zu unterbrechen und gegen Wiedereinschalten zu sichern.

Elektrische Komponenten dürfen nicht mit Wasser oder Feuchtigkeit in Kontakt kommen, sofern sie nicht ausdrücklich dafür ausgelegt sind.

Beschädigte Kabel, Steckverbindungen oder Geräte dürfen nicht verwendet werden, da die Gefahr von Stromschlag oder Brand besteht.

Schwere und sperrige Produkte

Beim Transport und bei der Montage schwerer oder sperriger Produkte besteht eine erhöhte Verletzungsgefahr.

Der Transport sollte nach Möglichkeit durch mehrere Personen oder mit geeigneten Hilfsmitteln erfolgen.

Bei der Montage ist auf eine sichere Befestigung sowie auf die Tragfähigkeit von Wänden und Untergründen zu achten.

Unsachgemäße Handhabung kann zu Quetschungen, Stürzen oder Materialschäden führen.

Zusätzliche Hinweise

Die produktspezifischen Montageanleitungen, technischen Angaben und Sicherheitshinweise der jeweiligen Hersteller sind stets zu beachten und haben Vorrang.

Produktsicherheit

Hersteller
CLAGE GmbH

Adresse
Pirolweg 4
21337 Lüneburg
Deutschland

E-Mail
info@clage.de

Eigenschaften

Anwendungsbereich: Handwaschbecken, Spüle
Eigenschaft, Bauart: Untertisch
Leistung: 3,5 kW

Sicherheitshinweise

Sicherheitshinweise

Bitte beachten Sie die folgenden Hinweise zur sicheren Nutzung der angebotenen Produkte.
Sie dienen der Vermeidung von Gefahren, Verletzungen sowie Sach- und Folgeschäden.

Die Nutzung darf ausschließlich bestimmungsgemäß und unter Beachtung aller mitgelieferten Produktinformationen erfolgen. Montage, Installation und Wartung dürfen – sofern erforderlich – nur durch qualifiziertes Fachpersonal durchgeführt werden.

Bewahren Sie alle sicherheitsrelevanten Informationen dauerhaft auf und geben Sie diese bei Weitergabe des Produkts an Dritte mit.

Entwässerungs- und Abwassersysteme

Entwässerungssysteme müssen fachgerecht installiert werden, um einen sicheren Abfluss von Abwasser zu gewährleisten.

Alle Verbindungen sind dicht auszuführen. Undichtigkeiten können zu erheblichen Gebäudeschäden führen.

Es ist auf mögliche Rückstauereignisse zu achten. Gegebenenfalls sind geeignete Rückstausicherungen zu installieren.

Zur Beseitigung von Verstopfungen dürfen keine ungeeigneten oder aggressiven chemischen Mittel verwendet werden, da diese Materialien angreifen können.

Regelmäßige Wartung und Kontrolle sind erforderlich, um Funktionsstörungen und Schäden zu vermeiden.

Elektrische Komponenten und Systeme

Arbeiten an elektrischen Anlagen dürfen ausschließlich durch qualifizierte Elektrofachkräfte durchgeführt werden.

Vor Beginn von Arbeiten ist die Stromversorgung vollständig zu unterbrechen und gegen Wiedereinschalten zu sichern.

Elektrische Komponenten dürfen nicht mit Wasser oder Feuchtigkeit in Kontakt kommen, sofern sie nicht ausdrücklich dafür ausgelegt sind.

Beschädigte Kabel, Steckverbindungen oder Geräte dürfen nicht verwendet werden, da die Gefahr von Stromschlag oder Brand besteht.

Schwere und sperrige Produkte

Beim Transport und bei der Montage schwerer oder sperriger Produkte besteht eine erhöhte Verletzungsgefahr.

Der Transport sollte nach Möglichkeit durch mehrere Personen oder mit geeigneten Hilfsmitteln erfolgen.

Bei der Montage ist auf eine sichere Befestigung sowie auf die Tragfähigkeit von Wänden und Untergründen zu achten.

Unsachgemäße Handhabung kann zu Quetschungen, Stürzen oder Materialschäden führen.

Zusätzliche Hinweise

Die produktspezifischen Montageanleitungen, technischen Angaben und Sicherheitshinweise der jeweiligen Hersteller sind stets zu beachten und haben Vorrang.